2370 CRUNCHY SPRING SPRING CRUNCHY CRUNCHY
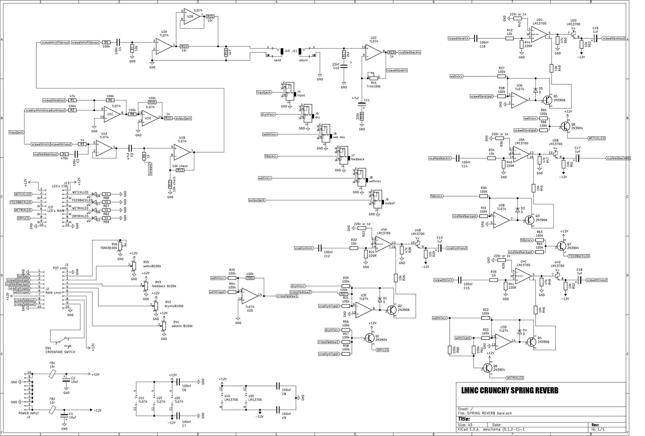
A saturating Spring Reverb module with CV over all parameters, works with all spring reverb tanks, best suggestion is to try some! rear mounts for spring reverb.
PCB AND PANEL AVAILABLE CLICK HERE
Please note! there are two types of the phono sockets and only one is correct. if you use the wrong ones its not thre end of the world you will just hear humm in the reverb as the signal is inverted. this is the type that is correct https://www.rapidonline.com/rvfm-red-pcb-skeleton-phono-socket-20-1120 . you will notice it has 3 grounding legs, then 1 leg at the back of it that is the signal. i know there are other types as i had this problem when i realised the one i used had the signal leg to the front of it.
