HOME
STORE
STUFF I USE
Projects
FORUM
KOSMODULARGRID
KOSMO MODULES?
LIVE
Bio
ZINE
CONTACT/Thing Made To Order
Menu
MUSIC
ELECTRONICS
HACKING
Your Custom Text Here
HOME
STORE
STUFF I USE
Projects
FORUM
KOSMODULARGRID
KOSMO MODULES?
LIVE
Bio
ZINE
CONTACT/Thing Made To Order
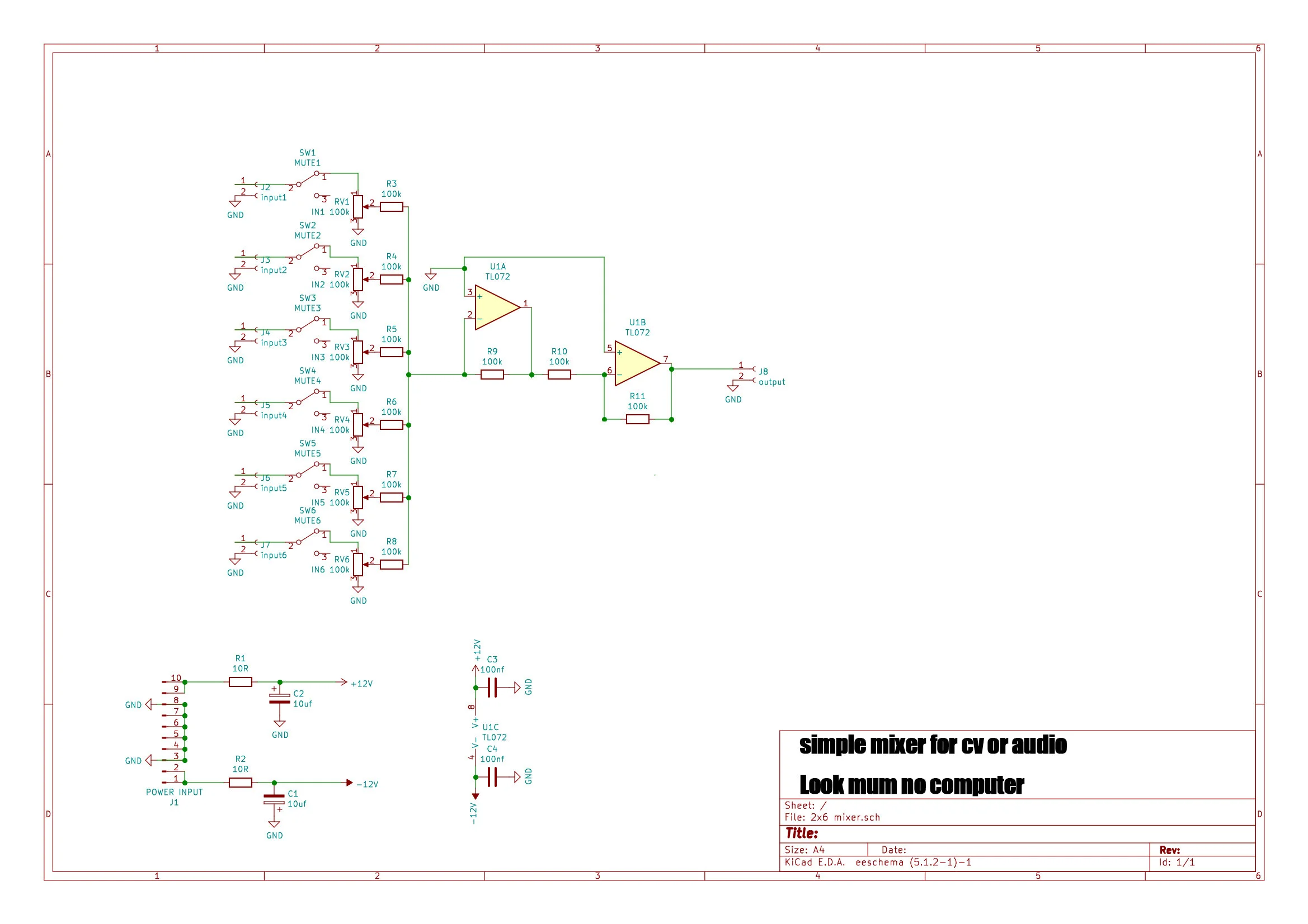
MIXER
MIXER CV AND AUDIO
More to come but heres the schematic and stripboard layout