Here are the gerber fiules for the organ midi interface circuit board, it can also be used to control small solenoids!!! for something liike a midi glockenspiel or something. also is a dodgy bit of code which you will be able to modify.
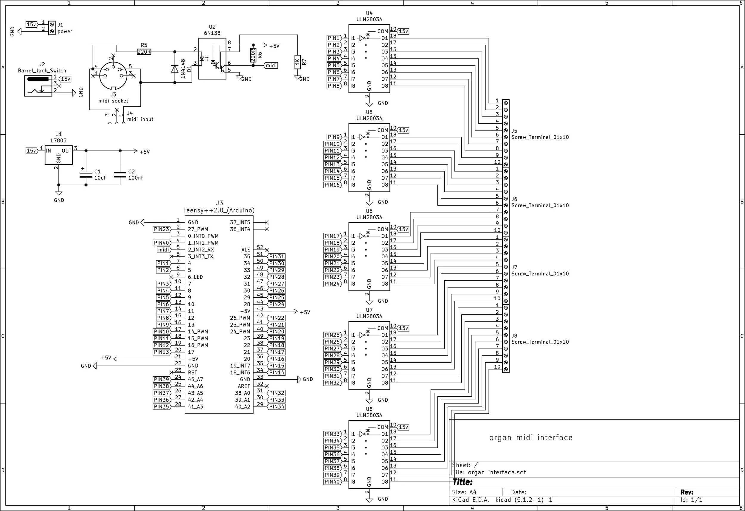
Its not perfect, its i circuit i bashed together in a few hours so it aint the mona lisa!, it uses ULN2803A transistor arrays datasheet here i used these as i was gunna use MOSFETS but to save soldering time and space i went for transistor arrays, as the solenoids the organ uses are well within the range of these chips. and it turns out after assembling it i was told it was. good choice and it is actually the most common chip used in modern organ interfacing. well there you go!!
I use a Teensy 2.0 ++ as it has a lot of pins, which aids simple coding for people who are not codely endowed, much like myself.
below is the 1.0 code from the above video on organ stops. not sure what use it would be to anyone but there we go!
