#1157 MINI ADSR
MORE TO COME ON THE STORE ON THE 6th OF MARCH
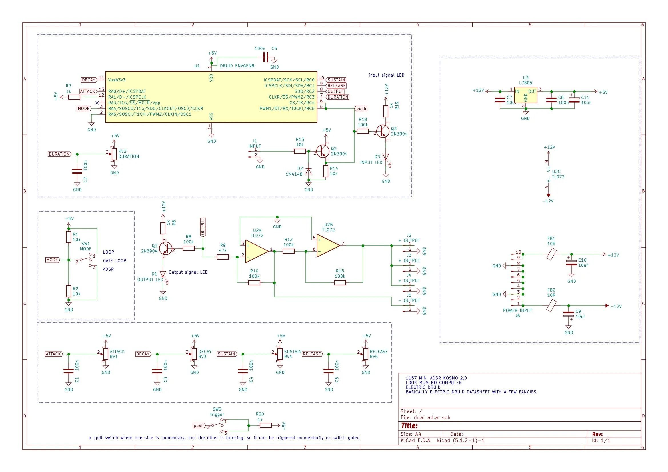
above is the schematic of the module. as you can see its pretty simple! you can get away with not bothering with any of the 100nf decoupling capacitors! i have put a line through them on the board so you have the choice to add them or not! i have noticed zero difference, its an envelope generator not a nuclear reactor tester so if your short on caps it will be fine! :)
I have been using this module since October last year and it hasn’t let me down yet. information on the envgen8C electric druid chip can be found here https://electricdruid.net/product/envgen8/
This module was made because i already had the design sitting around from the gameboy megamachine polyphonic envelope generator, and this made sense to use to replace the un reliable ones i had in my touring rig which were old Music from outer space DUAL AD/AR’s these do the job plus a few more things. they fire out a hefty 8 volts so nice and chunky and also am inverted output.
Its a very simple module! mainly based on the Datasheet Schematic over on the electric druid website so nothing revolutionary here! just very functional. it can also loop like an lfo :)
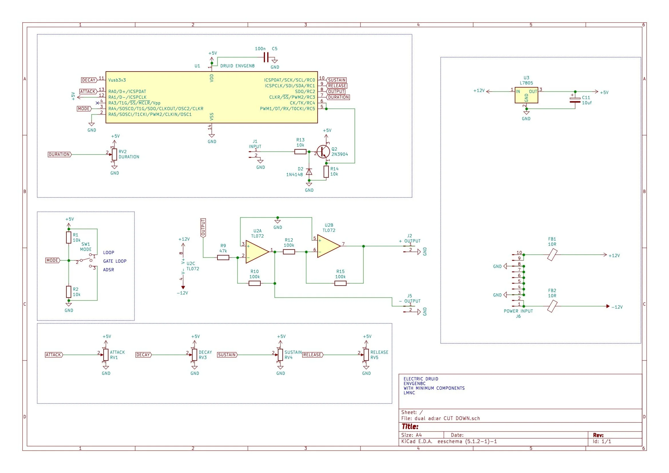
here is a simplified version. you can go even simpler if you want. like removing the circuit between the input jack and the chip. just watch out on your voltages! you run the risk of popping it if your trigger is too high. but hey! best of luck
Constantly updating forum Bill of materials here
KNOBS :- https://www.rapidonline.com/sci-rn-117b-arrow-control-knob-23mm-32-0250
There is a forum page dedicated to this module right here.
however this page is good for looking for components in your country, here.
Josh has put together a good US bill of materials here
FAQ.
I cant find an SPDT (on) off on switch! not to fear. check the forum posts above maybe someone has found one in your area. first of all lets figure out what it means. on off on means you have a switch you flick on way it turns on, in the middle its off and you flick it the other way its on again on different poles. when there is a bracket around the on, this means it only stays on when your finger is on it, this is called a momentary switch, usually you find them as (on) off (on) however i use a funky one in this design which is half way between both.
Why? well its because if i flick the switch down it is momentary, which momentarily triggers the envelope generator, however if i flick it up the switch latches, latching the envelopge generator on, which means it can stay on so you twist the sustain it becomes a set voltage.
You have a couple of options here. you can use an completely momentary switch and it will work just fine! infact it has a good function, an (on) off (on) switch will mean you can momentarily trigger the envelope on the up and the down meaning you can rapidly trigger it with your fingers. So if you can only find (on) off (on) switches not to fear! just use that :).
LIKE ALL OTHER MODULES! always put potentiometers and switches etc into the pcb then screw them into the panel. THEN solder. this way you know it is all aligned :)
